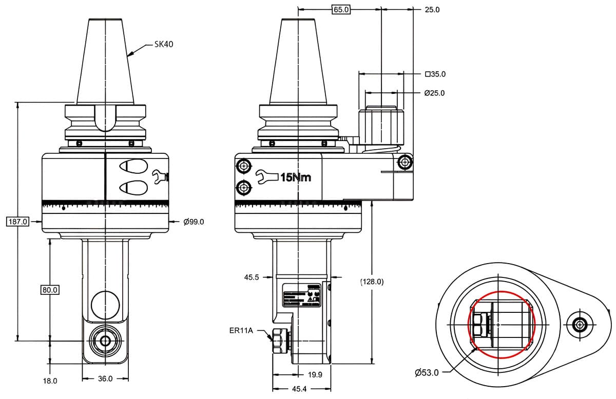
Конус головки
DIN 69871
Размер конуса
40
Тип головки
Фиксированный угол
Установка (смена)
Автоматическая
Рабочие углы
90˚ - фикс
Зажим инструмента
ER-11
СОЖ, бар
Внешняя
Макс. обороты, об/мин
5000
Расстояние до оси инструмента, мм
187
Бренд
AdvaCut
Скидка
15%
Вид номенклатуры
Угловые головки



