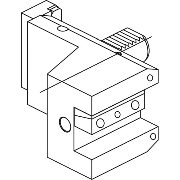
Тип держателя
Для прямоугольных резцов
Стандарт крепления
VDI (DIN 69880)
Форма блока
Нет значения
Посадка блока
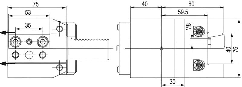
30
Размер сечения, мм
20х20
Сечение резца (форма)
Квадратное/ прямоугольное
Направление обработки
Осевое
Бренд
AdvaCut
Скидка
15%
Вид номенклатуры
Токарные инструментальные оправки


