Тип токарного патрона
Кулачковый
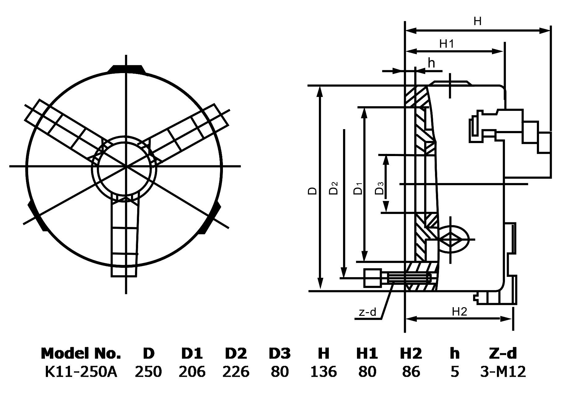
Диаметр токарного патрона
10" (250 мм)
Количество кулачков
3
Посадка патрона
Цилиндрическая
Тип зажима патрона
Ручной
Диаметр сквозного отверстия
80
Внешний диапазон зажима min
6
Внешний диапазон зажима max
250
Внутренний диапазон зажима min
90
Внутренний диапазон зажима max
250
Макс. обороты (1/min)
2400
Мастер кулачки
Да
Подходит для станков
Для токарных
Вес, кг
25.7
Бренд
AdvaCut
Скидка
15%
Вид номенклатуры
Кулачковые патроны





