

Цена рассчитана по прайс листу на 22.05.2026
3 шт. - Наро-Фоминск (Москва и Московская обл.) - Центральный склад
1 шт. - Наро-Фоминск (Москва и Московская обл.) - Центральный склад
04.06.2026 - Ориентировочная дата поступления на склад
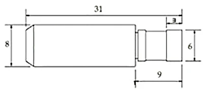
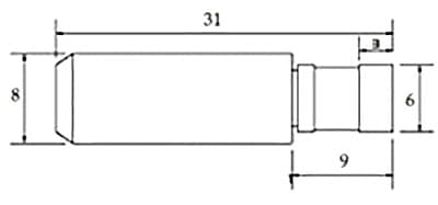
Основные параметры