3 (4)-х координатный станок с ЧПУ.
Перемещения по осям XYZ, мм - 450х300х300;
Размеры рабочей ванны, мм - 900х640х360;
Максимальный вес детали, кг -800;
Максимальный вес электрода, кг - 50.
От 26 433 937,01 KZT
Цена c НДС, с учетом доставки до завода покупателя. Пуско-наладочные работы и обучение оплачиваются сервисной компании отдельно.
Расчетная цена от 380 895,52 CN¥ по курсу на 22.05.2026
Объёмная электроэрозионная прошивка сложных пространственных форм с наложением орбитального движения на вектор перемещения, одновременная 3-х (4) координатная обработка, прошивка глубоких узких пазов, контурная обработка, выхаживание и полировка поверхности. -
Назначение и основные особенности
Станок предназначен для изготовления пресс-форм и деталей штампов (объемных матриц, вставок и пуансонов), деталей различного функционального назначения, обработки отверстий, пазов и каналов сложной конфигурации в деталях из различных токопроводящих материалов, в том числе из труднообрабатываемых: инструментальной стали высокой твердости, нержавеющих сталей, твердых сплавов, сплавов алюминия, меди и титана. Станок оборудован мощным генератором импульсов, на базе силовых транзисторов, с цифровым управлением для оптимизации и адаптации параметров импульса к условиям обработки. В базовую комплектацию включены: система высокоскоростного отвода электрода, для обработки глубоких и узких пазов и отверстий без промывки, интеллектуальная экспертная система программирования с базой данных режимов обработки для различных материалов, автоматически циклы привязки заготовки и электрода. Для расширения функционала и автоматизации процесса обработки, станок дополнительно может комплектоваться встроенной поворотной осью С, магазином электродов, пневматическим патроном крепления EROWA/3R -
Конструкция
Дополнительные опции
Чтобы оставить отзыв, необходимо авторизоваться
Основные параметры
Автоматический сменщик электродов
Опция 4 позиций
Максимальный ток
50 (100) А
Ход по осям X/Y/Z, мм
450 / 300 / 300
Максимальный вес электрода
50 кг
Достижимая шероховатость
Ra 0,2 мкм
Перемещение по оси X,мм
450
Перемещение по оси Y,мм
300
Перемещение по оси Z,мм
300
Размеры рабочего стола
Чугунная литая станина С образной конструкции с подвижным рабочим столом, по основанию станины перемещаются каретки X/Y, по колоне каретка оси Z. Жесткая система линейных призматических направляющих осей X/Y/Z без промежуточных звеньев. По осям XYZ преднатянутые ШВП с непосредственной передачей момента от серводвигателей переменного тока. Лазерная калибровка по осям X/Y/Z. Сдвижная ручная дверь рабочей ванны. -
Параметры рабочей зоны
Перемещения по осям XYZ, мм - 450х300х300
Размеры рабочего стола, мм - 600х400 (мрамор)
Размер рабочей ванны, мм - 900х640х350
Максимальный вес обрабатываемой детали, кг - 800
Максимальный вес электрода (на шпинделе/в патроне оси "С"/АТС), кг - 50/10/5
Расстояние от стола до торца шпинделя мин-макс, мм - 290-590 ( с опцией оси "С" EROWA: 90-390)
Максимальный уровень диэлектрика, мм - 210 , ручная регулировка
Основные технологические параметры обработки
Макс. рабочий ток, А - 50 (100А -опция)
Максимальная скорость съема (Графит-сталь, с принудительной промывкой), мм3/мин - 500
Минимальный износ электрода, % - 0,1
Наилучшая шероховатость, Ra, мкм - 0,2
Обрабатываемые материалы (стандарт) - Сталь, твердый сплав, алюминий
Материал электрода (стандарт) - Медь, графит, медь-вольфрам
Параметры подключения и установки
- Установка состоит из трех основных модулей: станок, диэлектрический агрегат и электрошкаф с консолью ЧПУ. Станок устанавливается на 4 опоры, которые входят в комплект поставки. Диэлектрический агрегат и электрошкаф, для удобства обслуживания, имеют колеса со стопорами. Специального фундамента не требуется, достаточно 150-300 мм промышленного армированного бетонного пола. Наклон пола должен быть в пределах 6/1000
Электропитание - 3х400 В +\- 10% переменного тока, 50 Гц
Рекомендованные значения для допустимой вибрации пола - максимальная амплитуда 5 мкм при 10 до 20 Гц
Оптимальная температура для функционирования оборудования, град. С - 20+/-3,0
Температурный диапазон для функционирования оборудования, град. С - 20+/-15,0
Скорость движения воздуха в помещении, м /с - максимально 0,5
Требования к сжатому воздуху, при установке опций С оси и ATC, бар - 5,5-7,5
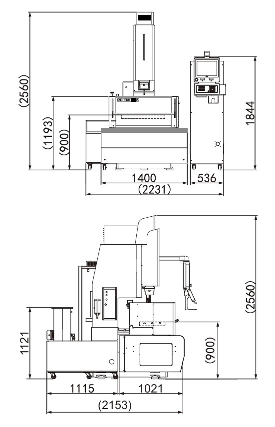
Габаритные размеры установки (ДхШхВ), мм - 2100х2100x2500
Вес станка, ориентировочно, кг - 2500
Габаритные размеры станка, мм - 1400х1636х2560
Габаритные размеры электрошкафа, мм - 536х1100х1844
Габаритные размеры диэлектрического бака, мм - 1230х1115х1121
Объем диэлектрической жидкости при первичной заправке, л - 400
Краткое описание основных узлов и агрегатов
Система управления
Тип - Многозадачная
Операционная система - Windows 7
Тип пользовательского интерфейса - Графический многоязычный ( в том числе английский)
Тип монитора для отображения информации - Цветная сенсорная графическая панель 15” LED
Жесткий диск, ГБ - 64, SSD
Тип интерфейса для подключения съемных носителей - USB/LAN
Устройства ввода - Клавиатура, тачскрин
Количество управляемых осей - 3 (4 опционально), серводвигатели
Минимальный шаг осевых подач (мм) - 0,001
Интерполяция - Линейная, круговая
Команды управляющей программы - Стандартные ISO коды
Команды позиционирования - Абсолютные/относительные
Cкорость перемещений осей XYZ (м/мин) - 0,1-10 (для каждого типа-размера установлено ограничение максимальной скорости для удобного и безопасного использования)
Макс скорость отвода электрода (релаксаций) оси Z , м/мин - 10
Допуск на точность позиционирования, мм - ≤±0,005 (на всей дистанции рабочего хода)
Повторяемость, мм - ≤±0,003
Генератор импульсов
Тип - ЧПУ управляемый, на базе силовых транзисторов
Рабочая ванна оснащена датчиками уровня диэлектрика и температуры, которые дают команду на остановку обработки в случае падения уровня жидкости ниже установленного и при отклонении температуры диэлектрика выше допустимой.
Функция защиты по касанию в случае соударенья при движении по осям.
Система пожаротушения (без баллона с углекислотой, дополнительная к основной, которая будет использоваться на месте эксплуатации оборудования: категория помещения В4 с минимальной удельной пожарной нагрузкой (1-180 МДж/м2). Помещение может не считаться пожароопасным, если нагрузка распределена редко, не более 10 м² на участке. Использование диэлектрической жидкости с температурой вспышки свыше 100 град. С, позволяет снизить категорию пожароопасности ).
Электронные блокировки не позволяют запустить цикл обработки при открытой рабочей зоне и автоматически останавливают процесс при открытии дверей.
Мониторинг процесса обработки и автоматическое прекращающие работы при коротком замыкании или выхода за допустимые параметры, чтобы избежать повреждения электрода и заготовки.
Основные функции системы управления
Автоматические измерительные циклы для базирования заготовок и электродов, включая циклы привязки по референсной сфере.
Система компенсаций измеренных смещений электрода по осям XYZ
Автоматизированная система подготовки управляющих программ обработки (Экспертная система+AUTO2)
Оптимизация и адаптация параметров импульса к условиям обработки
Защита от короткого замыкания и возникновения дуги, для обеспечивающее равномерности поверхности и исключения прижогов
Комплект орбитальных циклов обработки (2D и 3D) в плоскостях XY, XZ, YZ и круговая или квадратная орбита при векторной обработке
Модуль полировки стали и выхаживания твердого сплава
Разворот рабочей системы координат и орбитальных движений (G126)
Измерение и компенсация смещения при развороте электрода (для одного электрода)
Базовая комплектация
Генератор рабочих импульсов на базе силовых транзисторов, 50А -
Серводвигатели и привода Panasonic на оси XY - 0,75 кВт, Z -1,5 кВт -
Диэлектрический агрегат с системой фильтрации, насосами прокачки, циркуляции и наполнения рабочей ванны -
Линейные направляющие и ШВП производства HIWIN (КНР) -
Ручная лифтовая дверь рабочей ванны -
Ручная централизованная система смазки -
Пульт дистанционного управления -
LED освещение рабочей зоны -
Ручной регулируемый патрон зажима электродов (патрон крепления EROWA или 3R -опции) с трехкулачковым патроном -
Магнитная плита 400х200 мм с низким магнитным полем -
Референсные сферы, 2 шт. -
Индикация состояния станка (cветодиодное, 3 цвета, на крышке оси Z) -
Экспортная морская упаковка -
Сервисный пакет, который включает: комплект монтажного инструмента (отвертки, ключи), комплект крепежной оснастки (прихваты, винты, упоры), комплект принадлежностей для организации прокачки (магнитные держатели и гибкие патрубки), фильтры очитски диэлектрика, опоры станка -
Инструкция по эксплуатации в электронном виде -
Планировка станка
Планировка станка DE45
Система вытяжки паров и дыма, диэлектрик и инструментальное оснащение, совместимое с EROWA/3R, в базовую комплектацию станка не входят
600х400 мм
Дистанция от стола до патрона
300-600 мм
Бренд
Abamet.ru
Вид номенклатуры
Копировально-прошивные станки
Технические характеристики
Тип обработки
Объёмная электроэрозионная прошивка сложных пространственных форм с наложением орбитального движения на вектор перемещения, одновременная 3-х (4) координатная обработка, прошивка глубоких узких пазов, контурная обработка, выхаживание и полировка поверхности. -
Назначение и основные особенности
Станок предназначен для изготовления пресс-форм и деталей штампов (объемных матриц, вставок и пуансонов), деталей различного функционального назначения, обработки отверстий, пазов и каналов сложной конфигурации в деталях из различных токопроводящих материалов, в том числе из труднообрабатываемых: инструментальной стали высокой твердости, нержавеющих сталей, твердых сплавов, сплавов алюминия, меди и титана. Станок оборудован мощным генератором импульсов, на базе силовых транзисторов, с цифровым управлением для оптимизации и адаптации параметров импульса к условиям обработки. В базовую комплектацию включены: система высокоскоростного отвода электрода, для обработки глубоких и узких пазов и отверстий без промывки, интеллектуальная экспертная система программирования с базой данных режимов обработки для различных материалов, автоматически циклы привязки заготовки и электрода. Для расширения функционала и автоматизации процесса обработки, станок дополнительно может комплектоваться встроенной поворотной осью С, магазином электродов, пневматическим патроном крепления EROWA/3R -
Конструкция
Чугунная литая станина С образной конструкции с подвижным рабочим столом, по основанию станины перемещаются каретки X/Y, по колоне каретка оси Z. Жесткая система линейных призматических направляющих осей X/Y/Z без промежуточных звеньев. По осям XYZ преднатянутые ШВП с непосредственной передачей момента от серводвигателей переменного тока. Лазерная калибровка по осям X/Y/Z. Сдвижная ручная дверь рабочей ванны. -
Параметры рабочей зоны
Перемещения по осям XYZ, мм - 450х300х300
Размеры рабочего стола, мм - 600х400 (мрамор)
Размер рабочей ванны, мм - 900х640х350
Максимальный вес обрабатываемой детали, кг - 800
Максимальный вес электрода (на шпинделе/в патроне оси "С"/АТС), кг - 50/10/5
Расстояние от стола до торца шпинделя мин-макс, мм - 290-590 ( с опцией оси "С" EROWA: 90-390)
Максимальный уровень диэлектрика, мм - 210 , ручная регулировка
Основные технологические параметры обработки
Макс. рабочий ток, А - 50 (100А -опция)
Максимальная скорость съема (Графит-сталь, с принудительной промывкой), мм3/мин - 500
Минимальный износ электрода, % - 0,1
Наилучшая шероховатость, Ra, мкм - 0,2
Обрабатываемые материалы (стандарт) - Сталь, твердый сплав, алюминий
Материал электрода (стандарт) - Медь, графит, медь-вольфрам
Параметры подключения и установки
- Установка состоит из трех основных модулей: станок, диэлектрический агрегат и электрошкаф с консолью ЧПУ. Станок устанавливается на 4 опоры, которые входят в комплект поставки. Диэлектрический агрегат и электрошкаф, для удобства обслуживания, имеют колеса со стопорами. Специального фундамента не требуется, достаточно 150-300 мм промышленного армированного бетонного пола. Наклон пола должен быть в пределах 6/1000
Электропитание - 3х400 В +\- 10% переменного тока, 50 Гц
Рекомендованные значения для допустимой вибрации пола - максимальная амплитуда 5 мкм при 10 до 20 Гц
Оптимальная температура для функционирования оборудования, град. С - 20+/-3,0
Температурный диапазон для функционирования оборудования, град. С - 20+/-15,0
Скорость движения воздуха в помещении, м /с - максимально 0,5
Требования к сжатому воздуху, при установке опций С оси и ATC, бар - 5,5-7,5
Габаритные размеры установки (ДхШхВ), мм - 2100х2100x2500
Вес станка, ориентировочно, кг - 2500
Габаритные размеры станка, мм - 1400х1636х2560
Габаритные размеры электрошкафа, мм - 536х1100х1844
Габаритные размеры диэлектрического бака, мм - 1230х1115х1121
Объем диэлектрической жидкости при первичной заправке, л - 400
Краткое описание основных узлов и агрегатов
Система управления
Тип - Многозадачная
Операционная система - Windows 7
Тип пользовательского интерфейса - Графический многоязычный ( в том числе английский)
Тип монитора для отображения информации - Цветная сенсорная графическая панель 15” LED
Жесткий диск, ГБ - 64, SSD
Тип интерфейса для подключения съемных носителей - USB/LAN
Устройства ввода - Клавиатура, тачскрин
Количество управляемых осей - 3 (4 опционально), серводвигатели
Минимальный шаг осевых подач (мм) - 0,001
Интерполяция - Линейная, круговая
Команды управляющей программы - Стандартные ISO коды
Команды позиционирования - Абсолютные/относительные
Cкорость перемещений осей XYZ (м/мин) - 0,1-10 (для каждого типа-размера установлено ограничение максимальной скорости для удобного и безопасного использования)
Макс скорость отвода электрода (релаксаций) оси Z , м/мин - 10
Допуск на точность позиционирования, мм - ≤±0,005 (на всей дистанции рабочего хода)
Повторяемость, мм - ≤±0,003
Системы безопасности
Рабочая ванна оснащена датчиками уровня диэлектрика и температуры, которые дают команду на остановку обработки в случае падения уровня жидкости ниже установленного и при отклонении температуры диэлектрика выше допустимой.
Функция защиты по касанию в случае соударенья при движении по осям.
Система пожаротушения (без баллона с углекислотой, дополнительная к основной, которая будет использоваться на месте эксплуатации оборудования: категория помещения В4 с минимальной удельной пожарной нагрузкой (1-180 МДж/м2). Помещение может не считаться пожароопасным, если нагрузка распределена редко, не более 10 м² на участке. Использование диэлектрической жидкости с температурой вспышки свыше 100 град. С, позволяет снизить категорию пожароопасности ).
Электронные блокировки не позволяют запустить цикл обработки при открытой рабочей зоне и автоматически останавливают процесс при открытии дверей.
Мониторинг процесса обработки и автоматическое прекращающие работы при коротком замыкании или выхода за допустимые параметры, чтобы избежать повреждения электрода и заготовки.
Основные функции системы управления
Автоматические измерительные циклы для базирования заготовок и электродов, включая циклы привязки по референсной сфере.
Система компенсаций измеренных смещений электрода по осям XYZ
Автоматизированная система подготовки управляющих программ обработки (Экспертная система+AUTO2)
Оптимизация и адаптация параметров импульса к условиям обработки
Защита от короткого замыкания и возникновения дуги, для обеспечивающее равномерности поверхности и исключения прижогов
Комплект орбитальных циклов обработки (2D и 3D) в плоскостях XY, XZ, YZ и круговая или квадратная орбита при векторной обработке
Модуль полировки стали и выхаживания твердого сплава
Разворот рабочей системы координат и орбитальных движений (G126)
Измерение и компенсация смещения при развороте электрода (для одного электрода)
Базовая комплектация
Генератор рабочих импульсов на базе силовых транзисторов, 50А -
Серводвигатели и привода Panasonic на оси XY - 0,75 кВт, Z -1,5 кВт -
Диэлектрический агрегат с системой фильтрации, насосами прокачки, циркуляции и наполнения рабочей ванны -
Линейные направляющие и ШВП производства HIWIN (КНР) -
Ручная лифтовая дверь рабочей ванны -
Ручная централизованная система смазки -
Пульт дистанционного управления -
LED освещение рабочей зоны -
Ручной регулируемый патрон зажима электродов (патрон крепления EROWA или 3R -опции) с трехкулачковым патроном -
Магнитная плита 400х200 мм с низким магнитным полем -
Референсные сферы, 2 шт. -
Индикация состояния станка (cветодиодное, 3 цвета, на крышке оси Z) -
Экспортная морская упаковка -
Сервисный пакет, который включает: комплект монтажного инструмента (отвертки, ключи), комплект крепежной оснастки (прихваты, винты, упоры), комплект принадлежностей для организации прокачки (магнитные держатели и гибкие патрубки), фильтры очитски диэлектрика, опоры станка -
Инструкция по эксплуатации в электронном виде -
Планировка станка
Планировка станка DE45
Система вытяжки паров и дыма, диэлектрик и инструментальное оснащение, совместимое с EROWA/3R, в базовую комплектацию станка не входят
Генератор импульсов
Тип - ЧПУ управляемый, на базе силовых транзисторов