
Цена c НДС, с учетом доставки до завода покупателя. Пуско-наладочные работы и обучение оплачиваются сервисной компании отдельно.
Расчетная цена от 396 459,59 CN¥ по курсу на 29.04.2026
1 шт. - Наро-Фоминск (Москва и Московская обл.) - Центральный склад №2
10.07.2026 - Ориентировочная дата поступления на склад

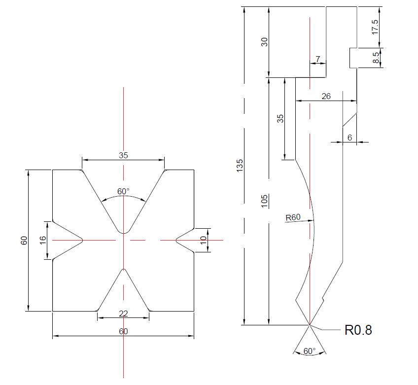
Основные параметры





Технические характеристики













