Токарно-револьверный станок с ЧПУ Fanuc по металлу TL-10F
TL-10FПод заказ
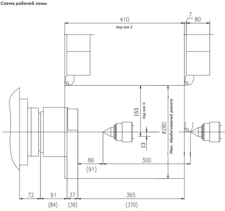
Токарный станок с ЧПУ; максимальный обрабатываемый диаметр 280 мм, макс. длина обработки 350 мм, шпиндель с посадкой A2-6, 11/15 кВт, 4500 об/мин, гидравлический патрон 203 мм (8''), 8-позиционная револьверная головка, конвейер для удаления стружки.
От 26 317 377,26 KZT
Цена c НДС, с учетом доставки до завода покупателя. Пуско-наладочные работы и обучение оплачиваются сервисной компании отдельно.
Расчетная цена от 378 298,50 CN¥ по курсу на 15.05.2026