Токарно-револьверный станок с ЧПУ по металлу TL-30LF
TL-30LFПод заказ
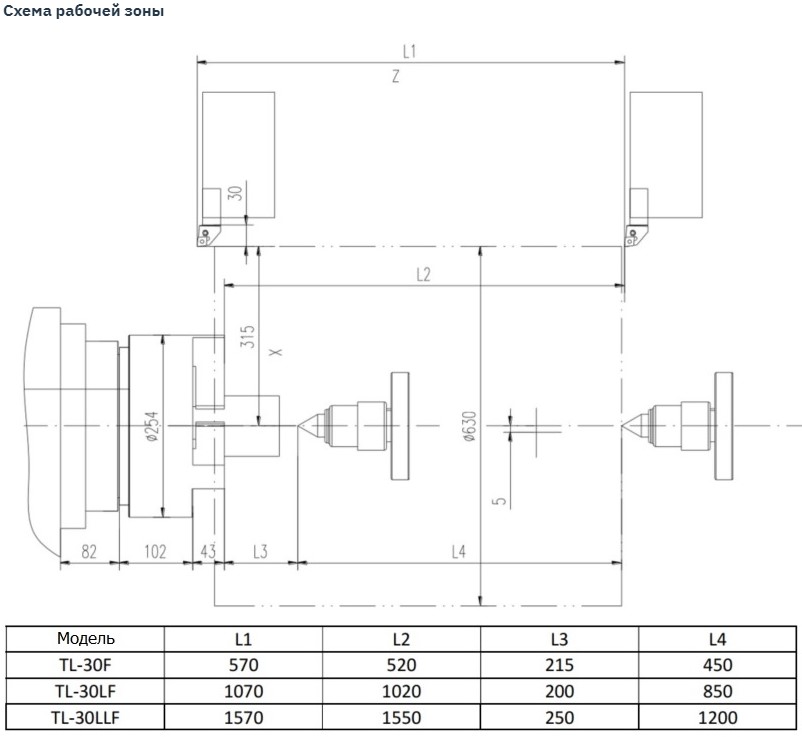
Токарный станок с ЧПУ; максимальный обрабатываемый диаметр 630 мм, макс. длина обработки 1000 мм с базовой 12-позиционной револьверной головкой, шпиндель с посадкой A2-8, 15/18,5 кВт, 3000 об/мин, гидравлический патрон 254 мм (10''), конвейер для удаления стружки, задняя бабка.
От 46 315 928,85 KZT
Цена c НДС, с учетом доставки до завода покупателя. Пуско-наладочные работы и обучение оплачиваются сервисной компании отдельно.
Расчетная цена от 684 919,41 CN¥ по курсу на 30.04.2026